Philips HF-R 158 TL-D EII 220-240V für 1x58W
- Kostenloser Versand ab 150 € inkl. SteuernKostenloser Versand ab 125 € exkl. Steuern
- Geschäftskunde? Kauf auf Rechnung
- Einfache Rücksendung innerhalb 14 Tagen
Technische Daten
|
i
Bitte beachten Sie: Es handelt sich hierbei NICHT um die Liefermenge! Die “Menge in der Originalverpackung” bezieht sich auf die Anzahl an Produkten, die vom Hersteller zusammen vorverpackt wurden. Wenn Sie diese Menge an Produkten bestellen, liefern wir Sie Ihnen in der Originalverpackung des Herstellers.
|
Originalverpackung | 12 |
|---|
| Artikelnummer | 180445 | |
|---|---|---|
| EAN | 8711500910172 | |
| Marke | Philips | |
| Herstellername | HF-R 158 TL-D EII 220-240V 50/60Hz | |
|
i
Unsere All-In-Garantie ist im Preis des Produktes enthalten. Sie tritt bei versteckten Mängeln oder technischen Defekten in Kraft, die vor der Lieferung eingetreten sind. Je nach Produkt beträgt die Garantiezeit zwischen 1 und 7 Jahre.
|
Beleuchtungdirekt All-in Garantie | 1 Jahr |
|
i
Die “Technologie” einer Lampe bezeichnet die Art und Weise, wie sie Licht erzeugt. Die effizienteste und populärste Methode ist dabei LED: Andere Technologien nutzen zum Beispiel Halogenlampen, Gasentladungslampen, TL-Röhren (Leuchtstoffröhren) und die klassische Glühbirne.
|
Technologie | Zubehör |
|---|---|---|
|
i
Die Leistung (Watt) eines Leuchtmittels zeigt an, wie viel Energie es pro Stunde im Betrieb verbraucht. Die „Wattzahl“ von LED-Beleuchtung ist dabei wesentlich geringer als bei herkömmlichen Produkten – sie strahlen aber genau so hell. Auch bei LEDs gilt in der Regel: Je höher die Wattangabe, desto mehr Licht (Lumen) strahlt die jeweilige Lampe aus.
|
Watt | 0 |
|
i
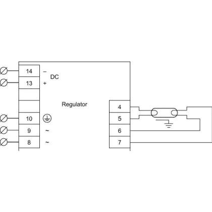
Vorschaltgeräte dienen der Strombegrenzung und ermöglichen zudem die Zündung der Lampen. Sie sind als separates Bauteil erhältlich oder bereits in der Lampe verbaut. Konventionelle Vorschaltgeräte (KVG, EM) benötigen immer einen Starter, elektronische (EVG, HF) nicht. Universale (UN) Leuchtmittel können mit jeder Art von Vorschaltgerät betrieben werden. Bitte beachten Sie: Bei elektronischen Vorschaltgeräten müssen Sie in diesem Fall trotzdem die Kompatibilität der Komponenten überprüfen! Produkte mit dem Kürzel AC benötigen kein Vorschaltgerät und können an die Netzspannung angeschlossen werden. |
Vorschaltgerät | Elektronisch (HF) ohne Starter |
| EVG für den Lampentyp | TL-D | |
|
i
Die Lebensdauer ist ein Hinweis auf die Anzahl der Stunden, die ein Produkt hält. Dabei geht es nur um die Stunden, in denen das Produkt tatsächlich eingeschaltet ist. Bei LED-Beleuchtung ist die Lebensdauer deutlich höher als bei herkömmlicher Beleuchtung. LED-Beleuchtung hält also viel länger. Wie lange ein Produkt tatsächlich genutzt werden kann, hängt vom (täglichen) Gebrauch ab. |
Durchschnittliche Lebensdauer (Stunden) | 0 |
| Maximale Wattanzahl | 58 | |
| Geeignet für | TL-D | |
|
i
Dimmbare Lampen funktionieren in Kombination mit einem Dimmschalter und ermöglichen Ihnen die gewünschte Leuchtstärke zu bestimmen. Die Dimmfunktion bietet zusätzliche Energiesparpotenziale, da weniger Strom benötigt wird, wenn die Lampe weniger stark leuchtet.
|
Dimmbar | 1-10 v dimmbar |
| Leuchtenverbindung | Wago 251 | |
| Anzahl benötigter Lampen | 1 | |
| Produkttyp | Zubehör - Vorschaltgerät Leuchtstoff |
| EOC8 | 91017230 | |
|---|---|---|
| Produktserie | HF-Regulator |
|
i
Beleuchtung mit Sensor schaltet sich nur ein, wenn ein bestimmtes Signal empfangen wird. Dies senkt die Energiekosten. Die (integrierten) Sensoren reagieren auf Dunkelheit (Dämmerungsschalter) und/oder Bewegung (Bewegungsmelder).
|
Sensortyp | Kein Sensor |
|---|
Beschreibung Philips HF-R 158 TL-D EII 220-240V für 1x58W
Das integrierte SmartPower System im Philips HF-Regulator TL-D versorgt Sie mit konstantem Licht, unabhängig von Schwankungen in der Netzspannung. Im Fall eines Defekts wird eine Sicherheitsabschaltung aktiviert. Dieses Vorschaltgerät setzt sich nach dem Lampenwechsel automatisch zurück und ist für den Innenbereich geeignet. Es wird besonders für Allgemeinbeleuchtung, aber auch zur Akzentbeleuchtung und Lichtsteuerung genutzt. Das Vorschaltgerät ermöglicht eine individuelle Regulierung des Lichts, zum Beispiel durch eine tageslichtabhängige Steuerung oder eine Bewegungserkennung.
Sie möchten eine große Geschäftsbestellung aufgeben? Kontaktieren Sie uns per Telefon, E-Mail oder Live-Chat - wir melden uns schnellstmöglich mit einem auf Sie zugeschnittenen Angebot zurück.